| 修正箇所 |
誤) |
正) |
修正
適用 |
P2
本文11行目 |
2005年10月から新マークに切り替わります。 |
2005年10月から新マークに切り替わりました。
(発刊のタイミングによるため) |
第9刷 |
P9
本文14行目 |
(比重:約2700kg/m3) |
(比重:約2.7) |
第19刷 |
P10
コーヒーブレイク |
鉄と鋼の違いは炭素量が2%以下のものを鋼(Steel)と呼び、2%以上含有するものを鉄(Iron)と呼びます。 |
鉄と鋼の違いは炭素量を0.04~2.1%含んだものを鋼(Steel)と呼び、2.1%以上入ったものを鋳鉄(或いは銑鉄)と呼びます。
0.04%より少ないものを鉄(Iron)と呼びます。
注)炭素含有量の値は、文献によって多少異なります。 |
第3刷 |
P12
上の図 |
 |
 |
第15刷 |
P14
表1-2 |
かくれ線:細い破線または太い実線 |
かくれ線:細い破線または太い破線 |
第4刷 |
P14
表1-2 |
中心線 細い一点錯線
想像線 細い二点錯線 |
中心線 細い一点鎖線
想像線 細い二点鎖線 |
第6刷 |
| 切断線 細い一点錯線で |
切断線 細い一点鎖線で |
第15刷 |
P21
本文1行目 |
~方向から見た見た図を~ |
~方向から見た図を~ |
第6刷 |
P21
小見出し |
1-6-1 用紙のサイズ |
1-6-1 投影図 |
第11刷 |
P29
図1-21(b) |
 |
 |
第9刷 |
P31
イラストのふきだし |
明らかに左右対称の場合は指示なしで全面的にできるんやな |
明らかに左右対称の場合は指示なしで全断面にできるんやな |
第2刷 |
P31
本文下から4行目 |
対象 |
対称 |
第10刷 |
P33
本文3行目 |
切断面にによって |
切断面によって |
第6刷 |
P35
本文 |
対象 |
対称 |
第6刷 |
P37
図1-35
|
(C)R1>R2の場合
(C)R1>R2の場合 |
(b)R1>R2の場合
(C)R1<R2の場合 |
第3刷 |
P45
本文1行目 |
寸法補助線用いて |
寸法補助線を用いて |
第15刷 |
P46
小見出し |
2-2-1 用紙のサイズ |
2-2-1 寸法補助線 |
第6刷 |
P48
本文3行目 |
対象図形で対象中心線~ |
対称図形で対象中心線~ |
第15刷 |
P48
図2-8
イラストのふきだし |
中心を越えても超えなくても |
中心を越えても越えなくても |
第3刷 |
P52
本文8行目 |
~する場において、~ |
~する場合において、~ |
第19刷 |
P53
図2-18 |
(a) (b) (a) (b) |
(a) (b) (c) (d) |
第3刷 |
P55
メモメモ |
JIS B 0011 |
JIS B 0001 |
第15刷 |
P57
5行目 |
~をとる程度場合は~ |
~をとる程度の場合は~ |
第6刷 |
P60
2-3-6説明文
|
~寸法数値の前に半径の記号〝Sφ〟または〝SR〟を記入します。 |
~寸法数値の前に球の直径の記号〝Sφ〟または球の半径の記号〝SR〟を記入します。 |
第3刷 |
P63
下から1行目 |
穴径面から |
軸径面から |
第15刷 |
P67
図2-43 |
φint36 |
φint34 |
第19刷 |
P68
図2-44 |

図中 太い二点鎖線 |

図中 太い一点鎖線 |
第15刷 |
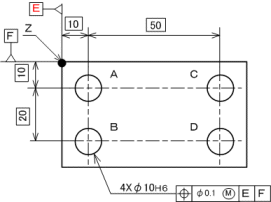
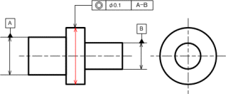
P79
図3-5 |
右上の公差文字が右下と同じ大きさ |
右上の公差文字を大きく |
第11刷 |
P80
図3-6 |
30±・・・(8箇所すべて) |
30°±・・・(8箇所すべて) |
第9刷 |
P81
本文12行目 |
穴記号 |
軸記号 |
第15刷 |
P82
小見出し |
角度寸法公差の指示 |
はめあいの種類 |
第11刷 |
P83
4行目、11行目 |
しましろ |
しめしろ |
第6刷 |
P83
14行目 |
~隙間を与える、はめあいを~ |
~隙間を与えるはめあいを~(読点抹消) |
第6刷 |
P83
16行目 |
はめあいの基準の選定する |
はめあいの基準を選定する |
第11刷 |
P85
14~15行目 |
「●滑合 H7-h6:(リムとボスのはめあいなど)
潤滑材を使用すれば手で動かせるはめあい部や重要でない静止部分など」
12行目~13行目に移動 |
第15刷 |
P85
19行目 |
H6-jk5 |
H6-jk5 |
第15刷 |
P84
表3-4 |

H7の項目で「g6」記入漏れ |
 |
第39刷 |
P84
表3-5 |

太線位置のずれ |
 |
第39刷 |
P87
表3-6 |
超 以下
18 24
30 40 |
超 以下
18 30
30 50 |
第15刷 |
P89
黒枠内(3) |
(3)内輪静止荷重を受ける軸受の内輪と軸とのはめあいは、しまりばめ又は中間ばめとする。 |
(3)内輪静止荷重を受ける軸受の内輪と軸とのはめあいは、すきまばめ又は中間ばめとする。 |
第35刷 |
P89
本文(1)と(2)の解釈 |
?内輪回転荷重
軸受の内輪に対して、荷重の作用線が相対的に回転している荷重。
つまり、軸上に重りをつけて回転させるような場合をいいます。
?内輪静止荷重
軸受の内輪に対して、荷重の作用線が相対的に回転していない荷重。
つまり、軸上に一定方向の荷重がかかった状態の場合をいいます。具体例では軸上につけたローラにベルトがかかって、一方向に引っ張られながら回転している場合など。 |
?内輪回転荷重
軸受の内輪に対して、荷重の作用線が相対的に回転している荷重。
つまり、軸上に一定方向の荷重がかかった状態の場合をいいます。具体例では軸上につけたローラにベルトがかかって、一方向に引っ張られながら回転している場合など。
?内輪静止荷重
軸受の内輪に対して、荷重の作用線が相対的に回転していない荷重。
つまり、軸上に重りをつけて回転させるような場合をいいます。 |
第16刷 |
P89
本文(3)と(4)の解釈 |
?外輪回転荷重
軸受の外輪に対して、荷重の作用線が相対的に回転している荷重。
つまり、ハウジング上に重りをつけて回転させるような場合をいいます。
?外輪静止荷重
軸受の外輪に対して、荷重の作用線が相対的に回転していない荷重。
つまり、ハウジング上に一定方向の荷重がかかった状態で回転する場合をいいます。 |
?外輪回転荷重
軸受の外輪に対して、荷重の作用線が相対的に回転している荷重。
つまり、ハウジング上に一定方向の荷重がかかった状態で回転する場合をいいます。
?外輪静止荷重
軸受の外輪に対して、荷重の作用線が相対的に回転していない荷重。
つまり、ハウジング上に重りをつけて回転させるような場合をいいます。 |
第16刷 |
P90
表3-8 |
| 荷重条件 |
内輪回転荷重
外輪静止荷重 |
外輪回転荷重
内輪静止荷重 |
|
| 荷重条件 |
外輪回転荷重
内輪静止荷重 |
内輪回転荷重
外輪静止荷重 |
|
第2版に移行のため対応できません |
P90
表3-8 |
| はめあい |
| 内輪 |
外輪 |
| しまりばめ |
すきまばめ |
| すきまばめ |
しまりばめ |
|
| はめあい |
| 内輪 |
外輪 |
| すきまばめ |
しまりばめ |
| しまりばめ |
すきまばめ |
|
P92
図3-14の図 |
D部寸法 200±0.4 |
D部寸法 200±0.3 |
第6刷 |
P93
6~15行目 |
これらの4つの部品が、たまたま組み合わせられる確率Kは、以下のように示されます。
K=0.15×0.15×0.15×0.15=0.0005%
0.0005%=5/1000000=5回/100万組合せ(4個の部品の最大寸法同士が重なる確率)
同様に最小寸法同士が重なる確率も5回/100万組合せになります。
従って、4つの部品を組み合わせたときに最大や最小の部品が揃う確率は10回/100万組合せ=1回/10万組合せとなります。
つまり、N個の部品が重なったときに、全てが最大或いは最小の部品が偶然に重なることは統計的にかなり低い確率であるといえます。 |
これら最大寸法の部品が4つ、たまたま組み合わせられる確率Kは、以下のように示されます。
K=0.0015×0.0015×0.0015×0.0015=5.06×10-12
4個の部品の最大寸法同士が重なる確率は%では表現できないほど低い数値になります。
つまり、N個の部品が重なったとき、最大寸法(あるいは最小寸法)ばかりの部品が偶然に重なることは統計的に大変低い確率となるのです。
|
第24刷 |
P95
表面性状の囲みの中 |
(以下、対称面と言う) |
(以下、対象面と言う) |
第6刷 |
| 機能上得に |
機能上特に |
第6刷 |
P97
表面性状の囲みの中 |
Ry、Rz、Sm、またはSを指示する場合 |
Rz またはRsmを指示する場合 |
第19刷 |
| tpを指示する場合 |
Rmr(c)を指示する場合 |
第19刷 |
| Ra、Ry、およびRzはμmで、SmおよびSはmmでtpは%で表すが~ |
Ra、およびRzはμmで、RsmはmmでRmr(c)は%で表すが~ |
第19刷 |
P99
表3-9 |
Rmr(c):負荷長さ |
Rmr(c):負荷長さ率 |
第19刷 |
P99
表3-9 |
右列 Ra:算術平均高さ |
右列 Ra:算術平均粗さ |
第25刷 |
P131
図5-3(b)の図 |
 |
 |
第13刷 |
P131
図5-4(a)の図 |
 |
 |
第13刷 |
P131
図5-4(a)の図 |
 |

○Mを抹消 |
第19刷 |
P133
表5-1
4行目 |
正しい平面からの |
正しい円からの |
第11刷 |
P133
表5-1
6行目、7行目 |
論客 |
輪郭 |
第11刷 |
P133
表5-1
12行目 |
データムまたは他の形体によって定められた理論的に正確な位置からの点、直線形体、または平面形体の許容値 |
理論的に正確な寸法によって定められた幾何学的輪郭からの面の輪郭のひらきの許容値 |
第11刷 |
P133
表5-1
13行目 |
平面形体の許容値 |
平面形体のひらきの許容値 |
第11刷 |
P135
図5-8の図 |
 |
 |
第13刷 |
P136
図5-11左の本文 |
同じ公差域を適用する |
同じ公差値を適用する |
第11刷 |
P137
図5-13 |
幾何公差の数値 「0.3」 |
幾何公差の数値 「φ0.3」 |
第13刷 |
P142
表5-6 |
表左下の項目「軸線×軸線指示」 |
表左下の項目「軸線×軸線指示(*)」 |
第19刷 |
P142
表5-6の下側補足 |
※②は~
|
※②は~
*軸線×軸線指示とは、P141図5-9のような2方向の範囲指示をさす |
第19刷 |
P144
下から1行目 |
包路線 |
包絡線 |
第15刷 |
P146
5行目、7行目 |
~傾斜した穴の軸線~ |
~円筒部の軸線~ |
第15刷 |
P146
図5-29 |
 |
 |
第13刷 |
P146
図5-30 |
 |
 |
第13刷 |
P147
傾斜度の2行目 |
矢で指示した穴の軸線は、~ |
矢で指示した表面は、~ |
第16刷 |
P147
位置度の2行目 |
矢で指示した球の中心は、~ |
矢で指示した穴の中心は、~ |
第16刷 |
P147
下から3行目 |
指示線に矢で示した球の中心は、データム平面Aから20mm離れ、
データム平面Bから40mm離れた位置にある円の中心は直径0.1mmの
円の中になければいけません
|
指示線に矢で示した穴の中心点は、データム平面Aから20mm離れ、
データム平面Bから40mm離れた理論的に正確な位置として指定された
点に対して直径0.1mmの円の中になければいけません
|
第11刷 |
P148
図5-33 |
 |
 |
第19刷 |
P149
2行目 |
円周振れは、モノの形体が如何にデータム軸と一致する中心をもつかを表す指標です |
円周振れは、データム軸中心に回転したとき、モノの形体表面が指定した方向に変位する大きさを表す指標です |
第19刷 |
P149
7行目 |
全振れは、モノの形体が如何にデータム軸と一致する中心を、相対移動の中でもつかを表す指標です。 |
全振れは、データム軸中心に回転したとき、モノの形体表面が相対移動の中で指定した方向に変位する大きさを表す指標です |
第19刷 |
P151
図5-37のふきだし |
一緒にあわらせるんや! |
一緒にあらわせるんや! |
第11刷 |
P152
本文9行目 |
最大実態公差は、次の3つの~ |
最大実体公差は、次の3つの~ |
第13刷 |
P155
図5-44 |
 |
 |
第19刷 |
P169
図6-8 |
 |
 |
第29刷 |
P170
図6-9の溶接記号 |
 |
 |
第2刷 |
P172
図6-14
イラストのふきだし |
穴の形状が違いだけやから |
穴の形状が違うだけやから |
第9刷 |
P175
図6-18 右側の図 |
d=3.15/6.7 |
d=3.15 |
第15刷 |
P176
図6-19 右側の図 |
l
D1=8.5 |
t
D3=8.5 |
第15刷 |
P176
図6-20 右側の図 |
l
D1=8.5 |
t
D2=8.5 |
第15刷 |
P184
4行目 |
 |
 |
第15刷 |
P185
表7-3 中心距離 |
中心距離  |
中心距離  |
第15刷 |
P186
歯車諸元表内 |
転位置 |
転位量 |
第35刷 |
P187
歯車諸元表内 |
転位置 |
転位量 |
第35刷
|
P188
14行目 |
×L リード (P ピッチ ) |
× リード (P ピッチ ) |
第19刷 |
P195
メモメモ |
~は小文字がめねじを~ |
~は大文字がめねじを~ |
第15刷 |
P196
メモメモ |
~という強さを表し、「最小引張荷重」と呼びます。 |
~という強さを表し、「呼び引張強さ」と呼びます。 |
第3刷 |
| 120kg以下 |
120kgf以下 |
第13刷 |
| 120kgf |
120N/mm2 |
第15刷 |
| 108kg以下 |
108kgf以下 |
第13刷 |
| 108kgf以下 |
108N/mm2 |
第15刷 |
| 「10.9」とは、100キロまで切れずに90%の90キロまで~ |
「10.9」とは、100kgfまで切れずに90%の90kgfまで |
第13刷 |
| 「10.9」とは、100kgfまで切れずに90%の90kgfまで |
「10.9」とは、100N/mm2まで切れずに90%の90N/mm2まで |
第15刷 |
P183
6行目 |
速度比=z1/z2=n1/n2 |
速度比=z1/z2=n2/n1 |
第6刷 |
P200
本文1行目 |
~歯車の製図は、その歯車~ |
~ばねの製図は、そのばね~ |
第15刷 |
P200
図7-22の要目表 |
クローズドエンド(研削無) |
クローズドエンド(研削) |
第2刷 |
| 座巻数 |
総巻数 |
第15刷 |
| 有効巻数 |
座巻数 |
| - |
有効巻数 14.5 ←1行追加 |
P201
図7-22の要目表 |
材料の直径 0.23 |
材料の直径 0.8 |
第9刷 |
| コイル内径 7.3±0.2 |
コイル外径 9.8±0.2 |
| 拡張力 |
初張力 |
| 巻方向 左 |
巻方向 右 |
第15刷 |
P207
下から4行目 |
どうのような |
どのような |
第9刷 |